





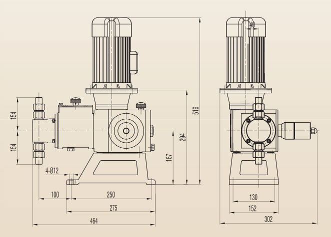
J1.6系列柱塞計量泵
特點:
1、大額定流量:0-22L/h
2、可制成多臺并聯使用
3、適應介質溫度:≤250℃
4、過流零件可選材質:304、316L、20號合,哈氏合金、陶瓷等。
5、流量控制方式:手動/自動沖程調節/數字變頻控制實現外部信號自動控制。
6、泵在運行或停止狀態下均可調節
7、可制單缸泵、雙缸泵和三缸泵流量可分別獨立調節
8、流量穩定粘度±1%。
9、進出口連接方式:卡套式焊接管接頭式和法蘭連接
10、根據用戶工藝要求,泵頭過流可制成保溫夾套型,電熱加溫型等。
應用
廣泛應用于化工、石油化工、冶金、電力、醫藥、食品、塑料發泡等各個領域,成為現代工業實現半自動化和全自動操作不可缺少的泵種。尤其在輸送高粘度、高壓力、高溫度的各種液體介質的工藝流程中特別受歡迎。




如果有需要,可聯系劉小姐18217138443(微信同號)QQ3135644675
劉柯 客戶經理
18217138443
地址:上海市閔行區光華路188號3號廠房
電話:021-64890289
郵箱:sales@kuosi.com.cn
傳真:021-51686350
網址:m.yrjx.com.cn
