





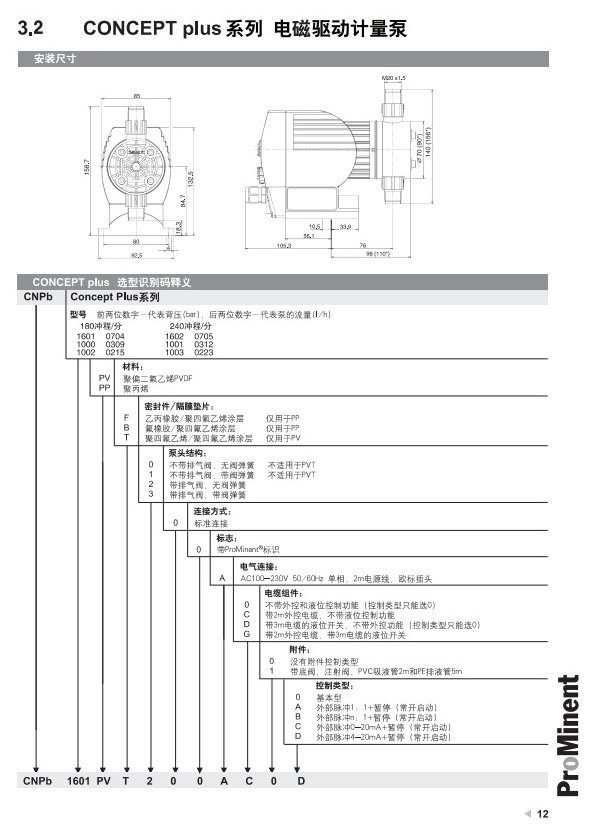
產品說明
型號 | 流量(L/H) | 壓力(bar) | 泵頭材質 | 控制方式 | 頻率 | 接口 |
CNPB1000PVT200A010 | 0.74 | 10 | PVDF | 手動 | 180 | 6*4 |
CNPB1000PVT200AC1D | 0.74 | 10 | PVDF | 4-20MA | 180 | 6*4 |
CNPB1000PVT200AC1B | 0.74 | 10 | PVDF | 脈沖信號 | 180 | 6*4 |
CNPB1601PVT200A010 | 1.1 | 16 | PVDF | 手動 | 180 | 6*4 |
CNPB1601PVT200AC1D | 1.1 | 16 | PVDF | 4-20MA | 180 | 6*4 |
CNPB1601PVT200AC1B | 1.1 | 16 | PVDF | 脈沖信號 | 180 | 6*4 |
CNPB1002PVT200A010 | 2.1 | 10 | PVDF | 手動 | 180 | 6*4 |
CNPB1002PVT200AC1D | 2.1 | 10 | PVDF | 4-20MA | 180 | 6*4 |
CNPB1002PVT200AC1B | 2.1 | 10 | PVDF | 脈沖信號 | 180 | 6*4 |
CNPB0704PVT200A010 | 3.9 | 7 | PVDF | 手動 | 180 | 6*4 |
CNPB0704PVT200AC1D | 3.9 | 7 | PVDF | 4-20MA | 180 | 6*4 |
CNPB0704PVT200AC1B | 3.9 | 7 | PVDF | 脈沖信號 | 180 | 6*4 |
CNPB0309PVT200A010 | 9 | 3 | PVDF | 手動 | 180 | 8*5 |
CNPB0309PVT200AC1D | 9 | 3 | PVDF | 4-20MA | 180 | 8*5 |
CNPB0309PVT200AC1B | 9 | 3 | PVDF | 脈沖信號 | 180 | 8*5 |
CNPB0215PVT200A010 | 16.4 | 1.5 | PVDF | 手動 | 180 | 8*5 |
CNPB0215PVT200AC1D | 16.4 | 1.5 | PVDF | 4-20MA | 180 | 8*5 |
CNPB0215PVT200AC1B | 16.4 | 1.5 | PVDF | 脈沖信號 | 180 | 8*5 |
CNPB1001PVT200A010 | 1 | 10 | PVDF | 手動 | 240 | 6*4 |
CNPB1001PVT200AC1D | 1 | 10 | PVDF | 4-20MA | 240 | 6*4 |
CNPB1001PVT200AC1B | 1 | 10 | PVDF | 脈沖信號 | 240 | 6*4 |
CNPB1602PVT200A010 | 1.5 | 16 | PVDF | 手動 | 240 | 6*4 |
CNPB1602PVT200AC1D | 1.5 | 16 | PVDF | 4-20MA | 240 | 6*4 |
CNPB1602PVT200AC1B | 1.5 | 16 | PVDF | 脈沖信號 | 240 | 6*4 |
CNPB1003PVT200A010 | 3 | 10 | PVDF | 手動 | 240 | 6*4 |
CNPB1003PVT200AC1D | 3 | 10 | PVDF | 4-20MA | 240 | 6*4 |
CNPB1003PVT200AC1B | 3 | 10 | PVDF | 脈沖信號 | 240 | 6*4 |
CNPB0705PVT200A010 | 5.2 | 7 | PVDF | 手動 | 240 | 6*4 |
CNPB0705PVT200AC1D | 5.2 | 7 | PVDF | 4-20MA | 240 | 6*4 |
CNPB0705PVT200AC1B | 5.2 | 7 | PVDF | 脈沖信號 | 240 | 6*4 |
CNPB0312PVT200A010 | 12 | 3 | PVDF | 手動 | 240 | 8*5 |
CNPB0312PVT200AC1D | 12 | 3 | PVDF | 4-20MA | 240 | 8*5 |
CNPB0312PVT200AC1B | 12 | 3 | PVDF | 脈沖信號 | 240 | 8*5 |
CNPB0223PVT200A010 | 21.9 | 1.5 | PVDF | 手動 | 240 | 8*5 |
CNPB0223PVT200AC1D | 21.9 | 1.5 | PVDF | 4-20MA | 240 | 8*5 |
CNPB0223PVT200AC1B | 21.9 | 1.5 | PVDF | 脈沖信號 | 240 | 8*5 |
以上泵均為PVDF吧頭材質且包含PVDF底閥、PVDF注射閥、2米PVC吸入管和5米PE排出管



